
電網端解決方案
併網型儲能
台灣AFC市場服務情形
●
已簽約容量達885MW,共計67 場(含6場輸電級)
●
>43場上線運轉中,上線以來所有案場除定期檢修暫時停機外,均以99.9%服務品質率穩定運轉中
●
為電力交易平台上>30家合格交易者提供EMS服務
提供一站式、客製化的儲能系統整合技術服務
●
儲能系統建置評估
●
台電系統衝擊分析
●
案場電機設計規劃
●
儲能櫃設計規劃
●
案場通訊系統設計規劃
●
案場控制系統設計規劃
電網通訊協定能力
支援多種通訊協定




EMS產品特色

●
MW級併網型儲能案場智慧功率分配。
●
1秒內全功率出力。
●
以雙備援系統架構設計達成高可靠度運轉能力。
●
高精準、高反應速度之系統架構設計。
●
台電AFC自動調頻輔助服務連續三年服務品質指標均達99.9%。
●
支援多種控制模式,如削峰填谷、光加儲、風加儲、負載移轉、需量反應、電壓支撐等。

智電戰情室系統
與資源聚合
併網型儲能實績
已上線案場超過43場,EMS支援dReg、E-dReg、同步虛功輸出支援等多種模式輸出。
●
2020 彰濱1MW儲能示範案:支援調頻、固定功因、電壓實虛功控制、太陽光電平滑化、削峰填谷、負載轉移等 7種輸出模式
●
2021 台電雙邊合約台南2MW案場,展現極致的空間利用率
●
2021 宜蘭2MW AFC dReg智電首場上線
●
2022 雲林20MW案場8台PCS同時出力控制
●
2023 台電金門古寧:調頻、能量移轉、RoCoF控制 (虛擬慣量控制法)
智慧微電網
金門地區智慧能源管理系統實績

攜手創揚科技於台電塔山電廠建置「金門地區智慧能源管理系統」
●
整合發電、負載、再生能源與儲能系統等即時運轉資訊;
●
推估系統未來運轉情形,以供調度單位即早因應
●
自動調度儲能系統
●
提供機組運轉建議
●
高再生能源滲透率下,維持柴油發電機效率
●
提升區域電網運轉穩定度

負載與再生能源預測

電力潮流與暫態分析

最佳化調度方案
密克羅尼西亞 微電網監控系統實績

攜手安華電機於密克羅尼西亞-波納佩島建置「離島型微電網監控系統」
●
2MW/2MWh太陽光電及儲能監控系統
●
系統功能:調頻、太陽光電平滑化、柴油發電機監控

即時發電訊息

電力設備運轉監測與分析

遠端遙控介面及曲線報表產生
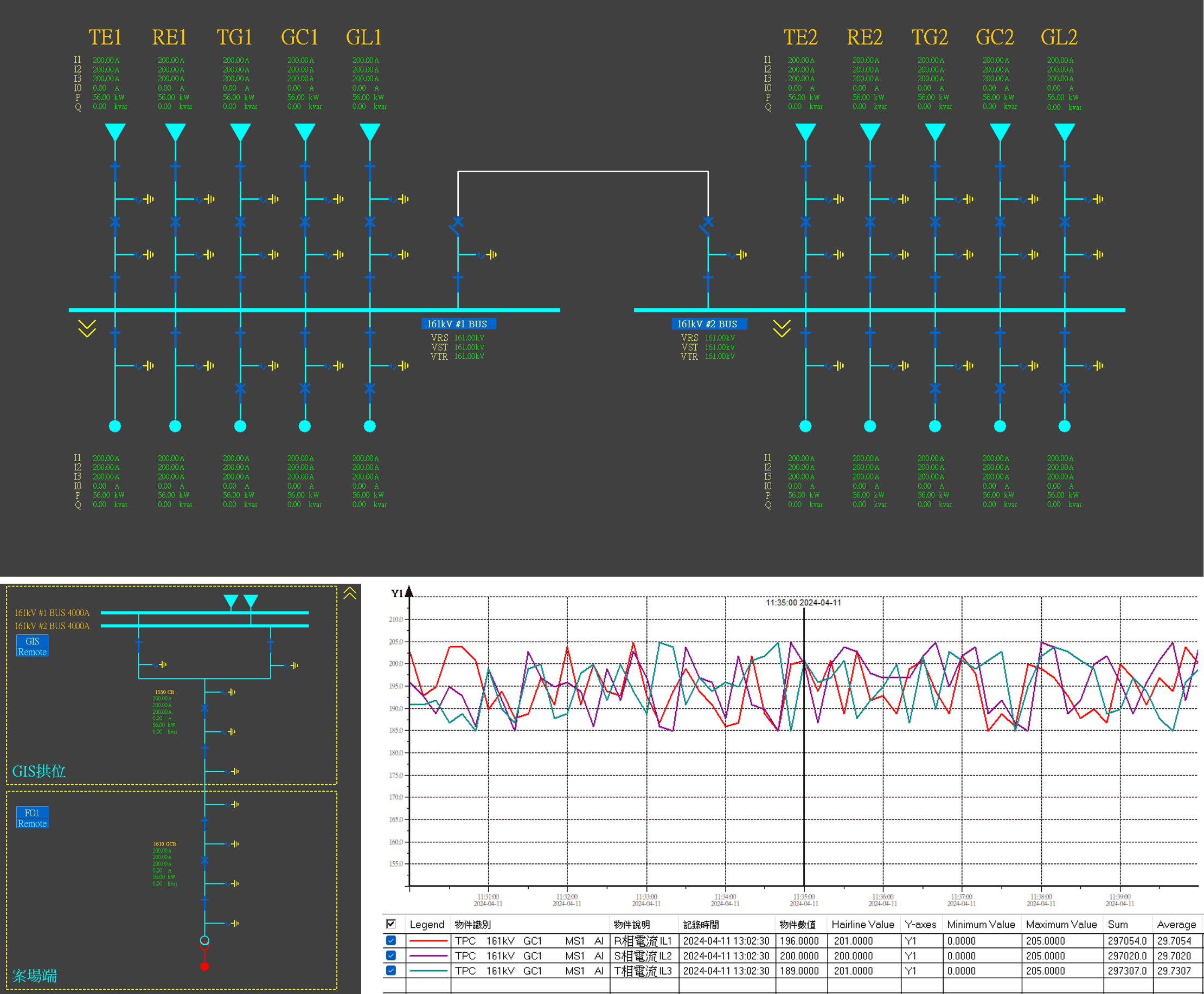
智慧變電站
產品特色

●
支援多種通訊協定,包含DNP 3.0、IEC 61850、IEC 870-5(101、103、104)MODBUS、LON、SPA等
●
支援Hot Standby、SQL資料庫自動同步,增加系統可靠度
●
通過台灣電力公司IEC 61850互通性、互操作性認證
變電站/升壓站電力監控

●
客製化使用者操作介面
●
客製調整告警列表、事件紀錄顯示、分級告警
●
事件紀錄時間精確度到毫秒(ms)
●
即時顯示開關狀態、保護電驛動作、量測數據
雙備援高可靠度網路架構
●
通訊、人機主機採雙備援PRP架構
●
對現場IED、電表使用雙環型網路備援













